Получение серы из сероводорода кислых газов прямым Клаус-процессом

Клаус – процесс, основанный на подаче всего потока кислого газа в реакционную печь вместе со стехиометрическим количеством воздуха, необходимого для сжигания одной трети сероводорода в диоксид серы, превращении две трети сероводорода в реакционной печи и каталитических реакторах в серу, получил название модифицированного процесса Клауса с прямым потоком, или полнопроходной установки получения серы методом Клауса.

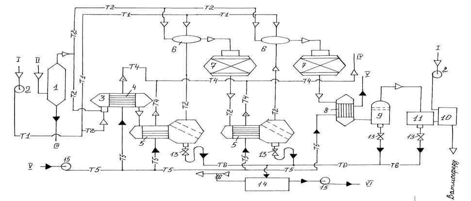
Кислые газы, в соответствии с рисунком 15, пройдя сепаратор (1), где отделяется на сепарационных элементах капельная влага, насыщенная сероводородом и содержащая следы растворителя со стадии десорбции процесса извлечения Н2S из сырьевого газа, поступают на сжигание в горелку или несколько горелок реакционной печи – реактор-генератор (3) со встроенным котлом-утилизатором (4).

Реакционная камера представляет собой стальное, цилиндрическое сооружение, наружным диаметром около 4000-4500 мм, длиной 6,5-7,5 м. Она имеет два устройства: для сжигания кислого газа и для сжигания топливного газа. Горелка конструктивно выполнена как цилиндр, приваренный касательно к цилиндру реакционной печи, то есть в реакционную печь смесь воздуха и кислого газа и продукты сгорания вводятся тангенциально.

Работа термической ступени, как и всей установки производства серы методом Клауса, в значительной мере определяются конструкцией горелки и временем пребывания газов в реакционной печи, которое должно быть в пределах 0,5-2 с. При более быстром прохождении газа через реакционную печь снижается общий выход, получаемый на установке серы, и возникают трудности, связанные с эксплуатацией установки.

Спецификация: Сепаратор (1); воздуходувка (2); печь реакционная (1); котел-утилизатор (1); конденсатор-коагулятор (I, I) (2); печь подогрева (2); реактор каталитический (I, II) (2); конденсатор-экономайзер (1); коагулятор (1); печь дожига (1); установка доочистки (1); гидразатвор (4); резервуар жидкой серы (1); насос откачки (1); эжектор отсоса паров (1); трубопроводы и потоки Т1 – воздух; Т2 – газы кислые; Т4 – пар водяной; Т5 – вода питательная; Т6 – сера жидкая; I – воздух; II – газ кислый; III – вода кислая; IV – пар водяной; V – вода питательная; VI – сера жидкая.

Рисунок 15. Аппаратурная схема переработки концентрированных кислых газов

Котел-утилизатор (4) состоит из конвективного трубного пучка и барабана котла, корпуса которых соединены друг с другом шестью трубами (114 мм) для перетока воды из барабана в корпус пучка и двенадцатью трубами (114 мм) для отвода пароводной смеси из корпуса пучка в барабан. В корпусе пучка для осмотра поверхности трубок и контроля за отложениями на нагревательной поверхности имеются: один люк диаметром 450 мм и 5 лючков диаметром 150 мм.

К горелкам реакционной печи воздуходувкой (2) подается атмосферный воздух в соотношении, позволяющем сжечь одну треть поступившего кислого газа до SO2. При этом стараются обеспечить полное использование кислорода в реакционной печи.

Температура в реакционной печи зависит от концентрации Н2S в кислом газе и от соотношения подаваемого воздуха к кислому газу и для полнопроходных установок составляет, как правило, 1200-1600 К.

Перейти на страницу: 1 2 3 4

Экологические заметки

Влияние климатических характеристик на рассеивание вредных веществ в атмосфере на территории Иркутской области
Человек всегда хотел победить природу и обуздать ее, но для этого необходимо изучить и проанализировать процессы, происходящие в ней. В связи с возросшим уровнем градостроительства ...

Теория и практика применения лазерной спектроскопии (на примере анализа объектов окружающей среды)
Применение лазерной спектроскопии к изучению характеристик сред представляет несомненный интерес как при проведении фундаментальных, так и прикладных исследований. Лазерная спектро ...

Система управления охраной окружающей природной среды на примере ОАО Сибнефть-Хантос
С развитием общественного производства расширяется сфера воздействия на природу, возрастают негативные изменения окружающей среды, происходит загрязнение веществами, вредными для ж ...